- Fabricated of grade 304 stainless steel
- Concealed flanges
- Fully welded construction finished in satin stainless steel finish to promote durability and reliability
- Designed for the safety, security and convenience of the physically disabled
- Easy to install on most building surfaces
- Ambidextrous (for both left hand and right hand orientation)
- Stainless Steel
- Matte Black Antibacterial finish
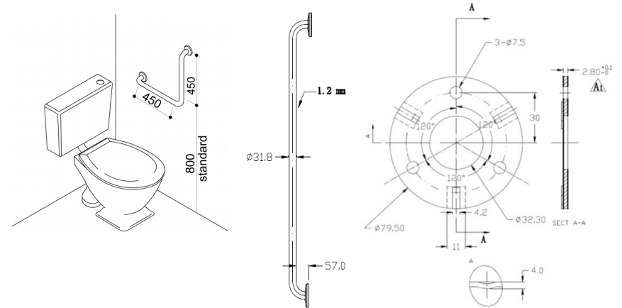
- 425mm x 425mm x 32mm Dia
- Rated to 150kg
- AS1428.1-2009 Compliant
Recommended Instalation Height:
To comply with Australian Standards AS 1428.1, grab rails must be fastened a minimum distance of 800mm from the floor, with 600mm of clear space above the rail and to with stand a force of 1100N at any point from any direction.

