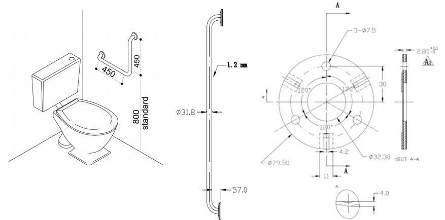
Specification & Dimensions
- Fabricated of grade 304 stainless steel alloy 18-8
- Two units equal one set
- Railing Measurements: 450mm x 450mm
- Tubing is 32mm diameter x 18 gauge (1.2mm)
- Flange is 3mm thick and
shall be Heliarc welded to tubing with a continuous concealed bead
and shall have three (3) 7mm diameter mounting holes - Cover plates to conceal flange and fixings are 22 gauge (0.8mm)
stainless steel - Fully welded construction finished in satin stainless steel finish to promote durability and reliability
- Designed for the safety, security and convenience of the physically disabled
- Strong Ø75 fixing flanges
- Easy to install on most building surfaces
- Grab Rails provide flush mounting flanges which are fully welded to the tube ends
- This results in a single structural unit that is designed to give maximum strength, security and user confidence to support greater loads
- Attractive stainless steel cover plates to conceal the flange and fixings
Recommended Instalation Height:
To comply with Australian Standards AS 1428.1, grab rails must be fastened a minimum distance of 800mm from the floor, with 600mm of clear space above the rail and to with stand a force of 1100N at any point from any direction.

